

Rif: 16852
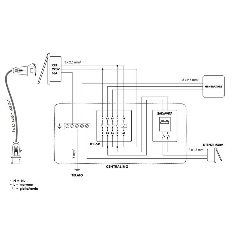
230V 25A changeover relay for mains/generator or mains/inverter.
It allows the exchange between two alternating current networks; a priority one and a sequential one.
230V coil.
See "attached documents" for installation manual.
You will immediately get a €10 discount
Shipping starting from € 8.90 up to 2 kg and not bulky (sum three sides not exceeding one meter)
Customs duties and taxes are the customer's responsibility.
Shipping from €22.00 up to 2 kg and not bulky (sum 3 sides over a meter). Superiors ask quote.
Rif: 17360
230V 25A changeover relay for mains/generator or mains/inverter.
It allows the exchange between two alternating current networks; a priority one and a sequential one.
230V coil.
See "attached documents" for installation manual.