

Rif: 15796
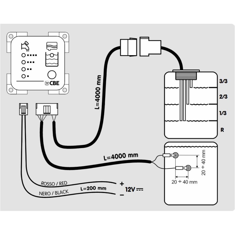
12 Vdc test panel for checking the level of a fresh water tank and for signaling that the recovery tank is full.
Connect the panel to the probes and to the power supply using the appropriate cable, respecting the polarities as shown in the figure.
SP505140
Water probe with stainless steel rods 280/280/155/50 mm dimensions from the probe abutment flange on the tank
It is possible to fix the probe using the supplied nut or screws. The gasket must be placed on the external side of the tank. It is also possible to cut the rods to adapt the probe to your tank.
SS/P50500
Probe with screws for recovery tank to be installed as shown in the figure.
You will immediately get a €10 discount
Shipping starting from € 8.90 up to 2 kg and not bulky (sum three sides not exceeding one meter)
Customs duties and taxes are the customer's responsibility.
Shipping from €14,90 up to 2 kg and not bulky (sum 3 sides over a meter). Superiors ask quote.
Rif: 15014
12 Vdc test panel for checking the level of a fresh water tank and for signaling that the recovery tank is full.
Connect the panel to the probes and to the power supply using the appropriate cable, respecting the polarities as shown in the figure.
SP505140
Water probe with stainless steel rods 280/280/155/50 mm dimensions from the probe abutment flange on the tank
It is possible to fix the probe using the supplied nut or screws. The gasket must be placed on the external side of the tank. It is also possible to cut the rods to adapt the probe to your tank.
SS/P50500
Probe with screws for recovery tank to be installed as shown in the figure.