- Non disponibile

Devi avere effettuato l'accesso per salvare dei prodotti nella tua lista dei desideri.
Rif: 12860
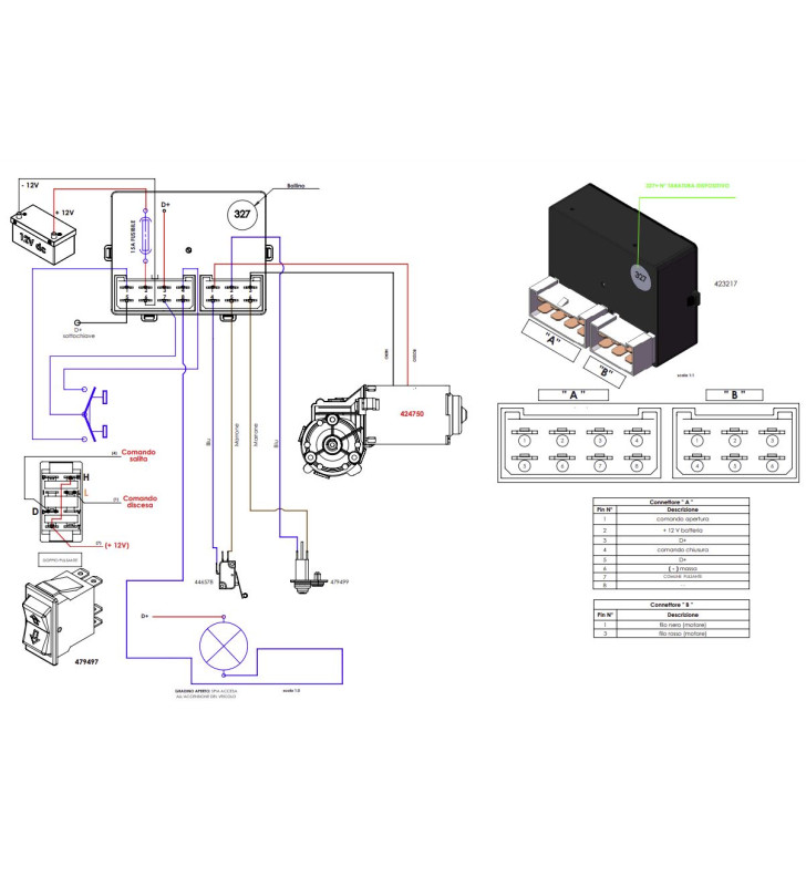
Vedere schema elettrico allegato per gradini
Utilizzato anche nel porta TV come da punto 5 del disegno allegato
Otterrai immediatamente uno sconto di 10€
Spedizione a partire da € 8,90 fino a 2 kg e non ingombrante (somma tre lati non superiore un metro)
CUSTOMS DUTIES AND TAXES ARE THE CUSTOMER'S RESPONSIBILITY.
Shipping from €22.00 up to 2 kg and not bulky (sum 3 sides over a meter). Superiors ask quote.
R
Vedere schema elettrico allegato per gradini
Utilizzato anche nel porta TV come da punto 5 del disegno allegato