

Sie müssen angemeldet sein, um Artikel Ihrer Wunschliste hinzufügen zu können.
Rif: 16818
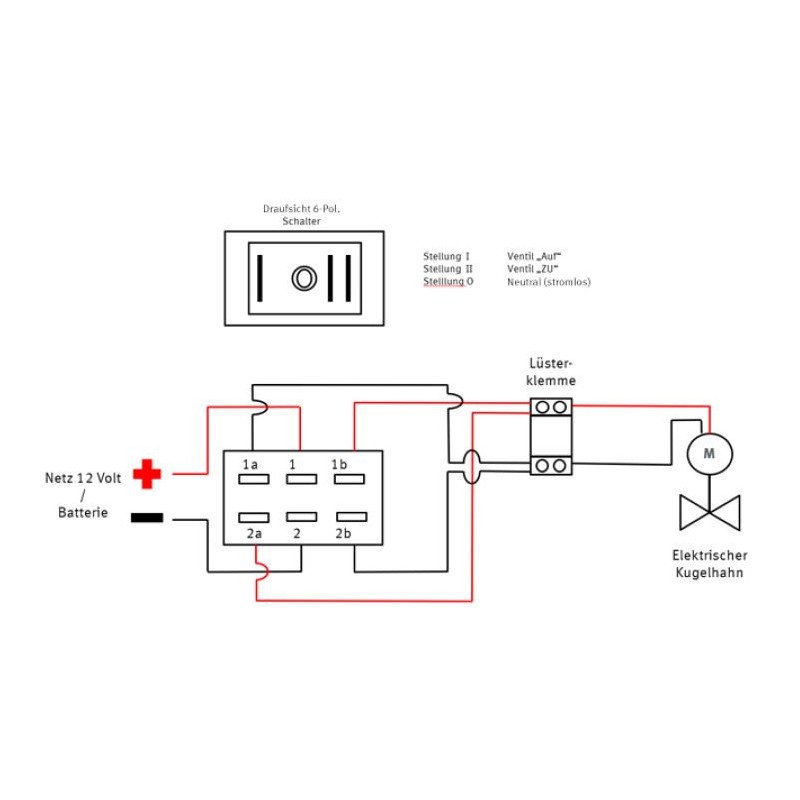
Schalter mit Polaritätsumkehrfunktion für elektrisches Kugelhahnsystem.
I = offen
II = schließen
0 = kein Strom/Abschaltung
Sie erhalten sofort einen Rabatt von 10
Versand ab 8,90 € bis zu 2 kg und nicht sperrig (summe drei seiten nicht mehr als einen meter)
Mindestbestellwert 135 £, zzgl. Versand. Zölle und Steuern liegen in der Verantwortung des Kunden.
Versand ab € 14,90 bis 2 kg und nicht sperrig (summe 3 seiten über einen meter). Vorgesetzte fragen
Schalter mit Polaritätsumkehrfunktion für elektrisches Kugelhahnsystem.
I = offen
II = schließen
0 = kein Strom/Abschaltung